IOT Temperature Sensor
Introduction
For this lab, we made a wifi enabled IOT device that reported back data read from a temperature sensor.
Design and Testing Methodology
We took advantage of the MCU, the ESP-WROOM-02 (ESP8266) webserver chip, and the DS1722 temperature sensor for this lab. We used the SPI peripheral on the MCU, which communicated with the DS1722 temperature sensor, while the webserver communicated over USART.
To test this lab, I used a logic analyzer to check the SPI output. An example of the SPI output to configure the temperature sensor is shown below.

To also test that temperature conversion was working properly, I also hardcoded a couple values in the code, just to make sure they were working. Finally, I also tested my body temperature, as well as used a compressed air can upside down to spray frost in order to properly test negative temperatures.
Technical Documentation:
The source code for this project can be found in my Github Repository.
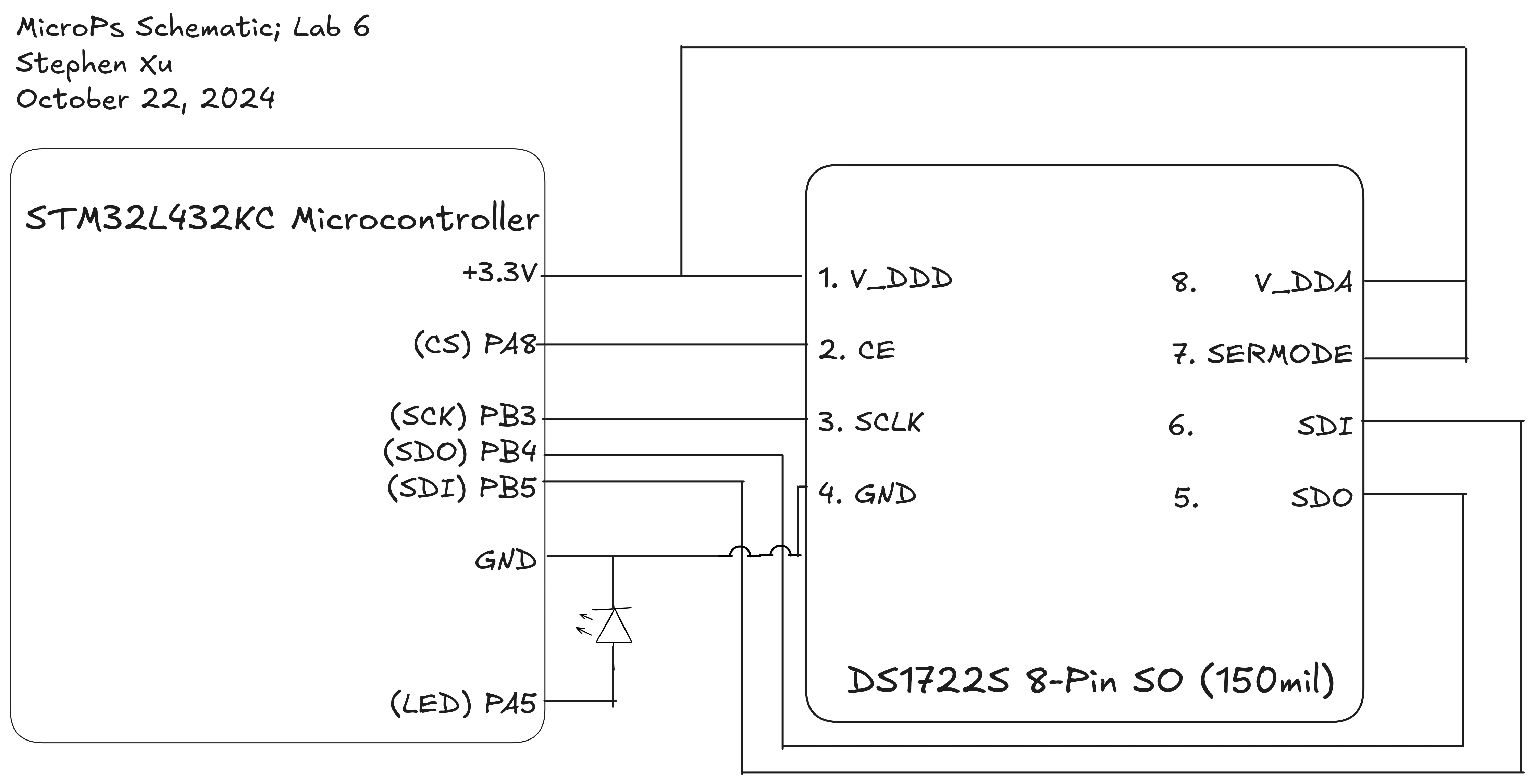
Schematic

Conclusion
This lab actually took me a little bit less time than expected, around 16 hours. I really liked this lab, one of the things I got stuck on for a while was using conflicting pins between the USART and the SPI connections, but it ended up working out pretty okay. This lab made me feel like I knew what I was doing for the first time in this class, which was a bit of a refreshing experience after all the pain I was going through before this.